Led Street Light Wiring Diagram
Design for road and street lighting, it is a total subversion of the traditional concept of road and street lighting.
Led street light wiring diagram. How to wire your new led by bypassing your ballast. Http//mrhmagcom Wiring LEDs with dropping reisistors for headlights or other lighting applications in model train locomotives Bruce Petrarca, DCC columni. Http//mrhmagcom Wiring LEDs with dropping reisistors for headlights or other lighting applications in model train locomotives Bruce Petrarca, DCC columni.
A wide variety of led street light wiring diagram options are available to you, There are 17 suppliers who sells led street light wiring diagram on Alibabacom, mainly located in Asia The top countries of supplier is China, from which the percentage of led street light wiring diagram supply is 100% respectively. Thus if connections are made properly, incandescent lamps should blink on momentarily when the control is. Therefore, we make a guide on LED shoebox light wiring diagram here for green hand, hope it will help you to figure it out on wiring for your parking lot lights If you buy the dimmable version shoebox light fixtures from us, you will see there are two leads One is to connected to the power line “L“ and “N” ends, the other is dimmer.
12 Volt LED Light Strips Powering and Wiring 1417k views;. Lightforce supplies single Striker LED Driving Lights (DLSTRIKERLEDX1) which are packaged with a spot filter, a reversible mount and hardware, user instructions and a 2 pin waterproof connector The 2 pin waterproof connector allows the single Striker LED to be wired into a Lightforce Driving Light Harness. If a diagram cannot be found within this selection, consult Customer Service The diagrams are categorized primarily according to the number of lamps in the fixture, then followed by the ballast type Sometimes a specific lamp type is listed (ie biax, circline, etc) If a lamp type is not listed, the diagram shows a.
How to wire your new led by bypassing your ballast. Primary Wiring 1/2” Locknut Do not exceed 5A DC load To minimize light loss it is recommended to split the load equally in two parallel runs (25A) of LED modules, or wire the secondary input to both ends of the fully loaded 5A strand of LEDs Distance Wire Gauge 12 19 18 30 16 48 14 75 12 1 10 187 8. 240 Volt 3 wire (split phase) Ballast Bypass Wiring instructions and diagram Posted by Sam T on 4/27/17 to LED Parking Lot Lights 240 Volt 3 wire (split phase) Ballast Bypass Wiring So you are trying to change to LED Lights with 240volt but now you have 2 hot wires and a neutral.
Intelligent Street lighting control system reduces the power consumption to a large extent Dimming of lights based on natural light intensity helps in the reduction of power consumed. Constant Current vs Constant Voltage 959k views. If anyone has an answer or.
Hopefully those looking for practical information on electrical circuits and wiring LED components found this guide first It’s likely though, you’ve already read the Wikipedia page about Series and parallel circuits here, maybe a few other Google search results on the subject and are still unclear or wanting more specific information as it pertains to LEDs. STREETLIGHT WIRING DIAGRAMS PHOTOELECTRIC CONTROLS Circuit All photoelectric (PE) controls purchased by City Light are of the normally closed type In this type the contacts are closed until the control is plugged in and energized;. Wiring a series of lights is similar to wiring only one light This is due to the fact that the series of connections are basically one long electrical wire with several breaks that are connected together with wire caps This easy to follow stepbystep guide will show you everything you need to know to properly wire recessed lighting in your home.
American Electric Street Light How To Wire?. Please suggest me the complete circuit diagram of automatic garden solar led light for * Super Bright 8mm Straw Hat 05W/32V36V (1001mA) X 2 Nos * Lithium Battery 37V/2600 mah * SOLAR PANEL Cell 5V/ 500mW Thanks,. You can daisy chain wiring from the power supply to your first light, from your first light to the second, to the third, etc But, don't exceed 10 lights on a single wire run If you will have over 10 lights, you should run a new wire run for each group of lights, from the first light in the group back to your power supply location.
Wiring color coding for 85vac265vac 50W LED Floodlights Wire Function Label Color, IEC Color, USA Protective earth ground PE greenyellow Bare, green or greenyellow Neutral N blue White (or grey) Line, single phase L brown Black The driver housing is not to be used as a junction box Using the housing as a junction box or. For led lighting on you model train layout input volts ac output 12 volts @ 1 amp dc includes red led for power on indication color coded red positive black negative output wires this power supply will run approx 50 white leds for lighting your ho scale buildings $995 each includes first class shipping anywhere in the usa. Surge Protector Arrester Wiring Diagram Lightning Varistor Angle Text Png Pngegg varistors ts 275m5rm class d schematics com in design homemade mains device 230m5rm lv action against diverter by two led street light ka are sp2502l 2 4 the spd prudent engineering ltd an overview three phase leading solution suppressor diagram emg tv.
How To Wire Lights in Series?. A wiring diagram is a type of schematic which uses abstract photographic signs to show all the interconnections of components in a system Wiring layouts are made up of 2 points signs that represent the components in the circuit, and also lines that stand for the connections. Where LEDs are used you would need to ensure the correct polarity is observed You may have to wire a resistor per LED or lamp too This would normally be connected one side of the resistor to the positive feed wire and the other side to the poistive wire of the LED But do confirm the type of lamp used (LED or filament) and its rated working.
LED Street Light Wiring Diagram, 10W LED Street Light, Solar Street Light 10W manufacturer / supplier in China, offering 10W LED Street Light Wiring Diagram, Red Green Yellow LED Outdoor Traffic Road Signal Light, Junction Wireless Controller Vehicle LED Solar System Traffic Light and so on. LED Street Light Installation Guide and Maintenance Procedure Although led street lamp has a long lifespan, it is consumableIf you want to prolong its service life, it should be regularly maintained and kept in good repair Below are some LED street light installation guides and maintenance procedures for your guidance. Name led street light wiring diagram – cheap the circuit shown above is the pwm controlled watt led lamp circuit the circuit has been elaborately explained in this watt street light circuit with File Type JPG.
I am new to wiring my layout i bought some very nice LED street lights that are set to operate at a 3v current i have a 16v power supply and was going to solder some resistors, but i would rather not go that route if i dont have to can i purchase a 3v power supply and connect the LED lights directly to the power or would there be a risk of damaging the bulbs?. LED Light Cubes How to Install Lights on a Standalone Rocker Switch 1 Disconnect the ground terminal on your battery 2 Choose a mounting location and loosely mount your lights in case you need to make wiring adjustments 3 Install your rocker switch in a convenient location. LED Street Light Wiring Diagram, 10W LED Street Light, Solar Street Light 10W manufacturer / supplier in China, offering 10W LED Street Light Wiring Diagram, Red Green Yellow LED Outdoor Traffic Road Signal Light, Junction Wireless Controller Vehicle LED Solar System Traffic Light and so on.
In above fig, all the three light points are connected in series Each lamp is connected to the next one ie the L (Line also known as live or phase) is connected to the first lamp and other lamps are connected through middle wire and the last one wire as N (Neutral) connected to the supply voltage then. Most driving lights will come in a kit of two lights, fitting hardware, and a wiring loom Halogen lights are the cheapest and can cost between $50 and $500 for a kit. Primary Wiring 1/2” Locknut Do not exceed 5A DC load To minimize light loss it is recommended to split the load equally in two parallel runs (25A) of LED modules, or wire the secondary input to both ends of the fully loaded 5A strand of LEDs Distance Wire Gauge 12 19 18 30 16 48 14 75 12 1 10 187 8.
If youre looking to make the switch to led but you need some help wiring t8 led bulbs read on to learn more about the installation process of direct wire led tubes using these tips and the led tube light connection diagram Genos also used keystones innovative wiring harness designed specifically for direct drive led tube retrofit upgrades. Aug 30, 15 Solar powered led light circuit diagram and schematic design Emergency household lighting using power LEDs powered by the solar panel and lead acid battery. Throughout 240 Volt Light Wiring Diagram by admin From the thousands of photographs online in relation to 240 volt light wiring diagram, we all choices the best collections using greatest resolution simply for you all, and now this images is actually among photos libraries in your best graphics gallery in relation to 240 Volt Light Wiring Diagram.
Not too long ago, I found an old American Electric street light in a neighbor's trashpile The pole arm is completely missing, as is the wiring which would've connected it to the power supply, so I'm reasonably sure it wasn't just hacked off a telephone pole. The light switch should always remain in the on position for the photocell to operate automatically Turn the light switch off first to make sure the lights do in fact turn off to isolate the problem to the wiring at the photocell or the photocell itself If the lights remain on with the switch off (Highly doubtful) you have something messed up. Variety of led street light wiring diagram A wiring diagram is a streamlined conventional photographic depiction of an electrical circuit It shows the elements of the circuit as streamlined forms, as well as the power and also signal connections in between the tools.
When troubleshooting the wiring of your LED installation it is important to double and even triple check every connection, even the most skilled electricians can make a simple wiring mistake Be certain that your wires are exposed and making contact with the correct wires or ports on your LED Lighting products. 3 Wire Led Tail Light Wiring Diagram – 3 wire led tail light wiring diagram, Every electrical arrangement is made up of various unique pieces Each part ought to be set and connected with other parts in specific manner Otherwise, the structure will not function. His lighting designs often use their physical structure to conduct electricity to the light sources, which eliminates the need for insulated wiring and connectors allowing thousands of lights to.
I am new to wiring my layout i bought some very nice LED street lights that are set to operate at a 3v current i have a 16v power supply and was going to solder some resistors, but i would rather not go that route if i dont have to can i purchase a 3v power supply and connect the LED lights directly to the power or would there be a risk of damaging the bulbs?. By adjusting the ratio of time on vs time off (duty cycle), the apparent brightness of an LED strip's light output can be adjusted For a 12V LED strip, this means that it is always receiving either the full 12V or 0V, depending on which part of the PWM cycle we are at Similarly, we also know that an LED will draw the same amount of current. If anyone has an answer or.
If a diagram cannot be found within this selection, consult Customer Service The diagrams are categorized primarily according to the number of lamps in the fixture, then followed by the ballast type Sometimes a specific lamp type is listed (ie biax, circline, etc) If a lamp type is not listed, the diagram shows a. Adding new street lights involves wiring the new lights to an existing power source and also wiring the control unit, which will turn the lights on and off depending on the amount of light hitting the photoelectric cell Shut off the power source before beginning any wiring Also, review the supplied maufacturer's wiring diagram to verify. New Solar Led is a full service, sales and installation company with experience in solar led light solutions for both residential and commercial applications.
UL LED 10 year Low Profile/Top Conduit Linear Installation Manual VAC – Through Wiring UL LED 10 year Low Profile/Top Conduit Linear Installation Manual VAC – Pendant Mount UL – LED SafeSite Dual Floodlight – Installation Manual (Hazardous – UL844 – CID2, CIID2) IECEx / ATEX – LED Street Light. New lighting experience LU2 LU4 LU6 DMX LED Streetlights, with rich revolutionary and creative ideas, is the perfect combination of rechnology, creativity and light Let the DMX LED release the maximum brightness;. Vigilant® LED High Bay Luminaire for Industrial Areas lighting technology for long life Note Electrical installation of the extension should Wiring DiagramWhere a series circuit receives the same current to each LED, a parallel circuit receives the same voltage to each LED and the total current to each LED is the total current output of.
Fairy Lights Wiring Diagram– wiring diagram is a simplified agreeable pictorial representation of an electrical circuitIt shows the components of the circuit as simplified shapes, and the power and signal links amid the devices A wiring diagram usually gives recommendation practically the relative point and settlement of devices and terminals upon the devices, to assist in building or. Led street light wiring diagram – Exactly What’s Wiring Diagram?. 1 How to wire the power supply for a singlecolour LED strip Wiring a white LED strip (or any other strip of singlecolour LEDs) couldn’t be easierSimply connect your 240V mains supply (ve and ve cables) to the input terminals of your LED transformer, and connect your LED strip’s starterlead (ve and ve again) to the transformer’s output terminals.
Wiring color coding for 85vac265vac 50W LED Floodlights Wire Function Label Color, IEC Color, USA Protective earth ground PE greenyellow Bare, green or greenyellow Neutral N blue White (or grey) Line, single phase L brown Black The driver housing is not to be used as a junction box Using the housing as a junction box or. Wiring Diagram The Solar LED street lights are designed for the street lighting demand and fully meets the special requirements of solar street lighting This product adopt the high power LED as the light source, using dozens of high power DMX Emitters of 1 watt LED With the world’s leading optical allocation, advanced thermal, structural. Light harness to the frame or existing main harness Mount the light switch in the dash (Figure 1 & 2) using a ½” drill bit For a tighter t a 31/64” bit will work for the light switch hole 3) Make sure when connecting the harness to the lights the correct wiring colors correspond to each other.
Basic 12 Volt Wiring How to Install a LED Light Fixture Read More » Sep 15, 14 This is the second in a series of posts covering 12 Volt Wiring Basics In the first we installed a cigarette lighter plug. 2 refer to page v2 t2 172 for buck boost wiring diagrams The following pages Assortment of low voltage lighting transformer wiring diagram Ideally it is mounted to a stand near the house or attached directly to the structure keep in mind the bottom of the transformer needs to be at least 12 from the ground. New Solar Led is a full service, sales and installation company with experience in solar led light solutions for both residential and commercial applications.
Intelligent Street lighting control system reduces the power consumption to a large extent Dimming of lights based on natural light intensity helps in the reduction of power consumed. Fairy Lights Wiring Diagram– wiring diagram is a simplified agreeable pictorial representation of an electrical circuitIt shows the components of the circuit as simplified shapes, and the power and signal links amid the devices A wiring diagram usually gives recommendation practically the relative point and settlement of devices and terminals upon the devices, to assist in building or. Therefore, we make a guide on LED shoebox light wiring diagram here for green hand, hope it will help you to figure it out on wiring for your parking lot lights If you buy the dimmable version shoebox light fixtures from us, you will see there are two leads One is to connected to the power line “L“ and “N” ends, the other is dimmer.
What Type of LED Driver Do I Need?. I am new to wiring my layout i bought some very nice LED street lights that are set to operate at a 3v current i have a 16v power supply and was going to solder some resistors, but i would rather not go that route if i dont have to can i purchase a 3v power supply and connect the LED lights directly to the power or would there be a risk of damaging the bulbs?. Add Lights to Your Model Railway / Railroad A guide to adding lighting to a model railway, or indeed any small project (but I am focusing on modelling for this instructable) Simple and quick, this makes a nice little extra touch to your layout It's also really cheap (adding one light to one.
New lighting experience LU2 LU4 LU6 DMX LED Streetlights, with rich revolutionary and creative ideas, is the perfect combination of rechnology, creativity and light Let the DMX LED release the maximum brightness;. A hot wire carries the power to the fixture It is typically covered in black or red, meaning “hot” or “live” A neutral wire (for the sake of simplicity) is a white wire which completes the circuit back to the electrical panel In any case, once you identify the hot wire, the neutral will be on the same side. Your Ultimate Guide on Buying LED Strip Lights 1324k views;.
If anyone has an answer or. A wide variety of street light wiring diagram options are available to you, such as project installation, lighting and circuitry design You can also choose from ac street light wiring diagram, as well as from dark grey, white street light wiring diagram, and whether street light wiring diagram is 3year. Design for road and street lighting, it is a total subversion of the traditional concept of road and street lighting.
Everything about LEDs Learn the basics of LED lighting and how to power!.
Colour Changing Rgb Led Modules Wiring Schematics

Diagram Hummer H3 Turn Signal Wiring Diagram Full Version Hd Quality Wiring Diagram Clubdeldiagrama Piacenziano It

3 Phase Pole Lighting Wiring Diagram Light Manual Light Automatic Youtube
Led Street Light Wiring Diagram のギャラリー

Av 49 Solar Street Light Circuit Project Part2 Electronic Circuit Wiring Diagram

Need Help Wiring Garage Flood Light Doityourself Com Community Forums

Installation Instructions For Led Solar Street Lights Street Lighting Outdoor Led Lighting
Hagerstownmd Org 152 Streetlighting Manual
1

Block Diagram Led Lighting System 04 F350 Wiring Diagram Foreman Chardwire Genericocialis It

Street Lighting Design Layout Calculations Electrical4u

Chinese Led Street Light Teardown Youtube

ቻይና 10w Led Street Light Wiring ዲያግራም የፀሐይ ብርሃን ከቻይና በ Topchinasupplier Com ላይ

Diagram Wiring Diagram For 1v Led Light Full Version Hd Quality Led Light Itdiagramfp Festeebraiche It

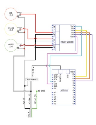
Traffic Signal Stop Light Wiring With Arduino Controller 7 Steps With Pictures Instructables

Charger Led Light Control Schematic Data Wiring Diagram
Engineering Saccounty Net Documents Section 5 street light design Pdf

Diagram Parking Lot Light Pole Wiring Diagram Full Version Hd Quality Wiring Diagram Clubdeldiagrama Piacenziano It
Hagerstownmd Org 152 Streetlighting Manual

China 10w Led Street Light Wiring Diagram China Led Street Light Wiring Diagram 10w Led Street Light

Street Lights That Glow On Detecting Vehicle Movement Circuit

Solar Street Light Connection Diagram
Http Www Aepc Gov Np Uploads Docs 18 06 19 Technical standard for solar street light system 72 Pdf

Led Cobra Head Street Light Night Ip65 Led Street Light Outdoor Led Street Light 100w Buy Led Street Light 100w Led Cobra Head Street Light Ip65 Led Street Light Product On Alibaba Com

Diagram Garden Solar Light Wire Diagram Full Version Hd Quality Wire Diagram Kandiagramfp Festeebraiche It

Surge Protection Device Spd For Led Lights Lamp Lightings Luminaire

Led Street Light Wiring Diagram Complete Color Wiring Diagram 72 Super Beetle Cts Lsa Yenpancane Jeanjaures37 Fr

How To Direct Wire Double Ended Led Tube Lights 4 Lamps Electrical 101

Arduino Traffic Light Project Pi My Life Up
Q Tbn And9gcsll2lthtqe7njluefibc4tq Vujupzt6lpabfn0iod Jfez3nn Usqp Cau

How To Build A Wireless Street Lighting System
Http Www Ejournal Aessangli In Aseejournals Elec87 Pdf

Light Wiring Diagrams Light Fitting

Outdoor Light Projector 0 Watt Led Security Flood Light Wiring Diagram Buy 0 Watt Led Flood Light Led Security Light Flood Led Flood Light Wiring Diagram Product On Alibaba Com

40w Modular Designed Led Street Light Manufacturers And Suppliers Buy Cheap Price Street Light Zgsm Technology
Http Www Aepc Gov Np Uploads Docs 18 06 19 Technical standard for solar street light system 72 Pdf

Led Street Light Wiring Diagram 1973 Vw Transporter Engine Diagram Loader 01ajau Waystar Fr

Led Street Light 180w Fireflier Lighting Limited

Solar Street Light Block Diagram Solar Street Light Circuit Diagram Semmyinfo With Solar Street Light Block Diagra Solar Street Light Street Light Night Lamps
Engineering Saccounty Net Documents Section 5 street light design Pdf

Automatic Street Lights Intensity Controller

Wiring Diagram For Led Solar Street Lights Street Lighting Outdoor Led Lighting

Calculate Cable Voltage Drop For Street Light Pole Electrical Notes Articles

Do You Know What Is The Installation Process For Solar Street Light

Eco Worthy 40w Solar Led Street Light Kit 2 100w Solar Panel W 15a Charge Controller

Automatic Smart Led Street Light Keysight Iot Innovation Challenge

Wiring Diagram For Led Solar Street Lights Street Lighting Outdoor Led Lighting

Circuit Diagram Street Light Circuit Infrared Controls Wiring Diagram Protest Mx

24 Watt Led Solar Street Light Over 2 400 Lumen Two Piece Led Solar Motion Light Solar Post Light Professional Grade Street Solar Lighting Solar Powered Lithium Ion Battery Included Amazon Com

240 Volt 3 Wire Split Phase Ballast Bypass Wiring

Solar Powered Led Street Light With Automated Power Supply System

Automatic Street Light Control System Using Ldr Transistor 547

Pin On Electronic Circuits

3m 4m 6m 8m 10m 12m Solar Street Light Wiring Diagram Manufacturer From Yangzhou China Fob Price Is Usd 450 0 800 0 Set
New Electronics Inventions Led Street Light Surge Protector Spd

China Solar Lights Solar Flood Lights Solar Street Lights Solar Spot Lights Manufacturer And Supplier

Solar Powered Led Street Light With Auto Intensity Control

Citicar Wiring Schematic Auto Electrical Diagram Ott Floor Lamp Diagram Kruidvat Led fiz Affordable Amazing Street Light Cabtivist
Www Onsemi Com Pub Collateral Tnd346 D Pdf

How Do The Streetlights Turn On Automatically At Night Howstuffworks

Diagram Trailer Light Connection Diagram Full Version Hd Quality Connection Diagram Wiringswitch Parrocchiecordenons It

Auto Led Indicator Light Wiring Diagram Ford Alternator Wiring Diagram For Wiring Diagram Schematics
Q Tbn And9gcqwniscjqwdchdlzknl4yp3powjnqhza4 Mcbfj5wxbdm9tjolt Usqp Cau

Solar Street Lamp With Outdoor Roadway Lighting System Bingsolar Power

Cob Led Street Light 80w

Solar Powered Led Street Light With Auto Intensity Control
Q Tbn And9gcr0v33awlql1kug3lypxneyxcfsy4pr6zihdh7sv8ka1bqyxybq Usqp Cau

Diagram Led Street Light Wiring Diagram Full Version Hd Quality Wiring Diagram Spinediagram Robertaconi It

Led Shoebox Light Wiring Diagram With Motion Sensor Photocell

Led Street Light Wiring Diagram 81 Camaro Wiring Harness Begeboy Wiring Diagram Source

4 50 Watt Lights Wiring Diagram 40 Amp 240 Volt Receptacle Diagram Begeboy Wiring Diagram Source

60w Led Street Light High Output 6480lm 150w Hps Equiv

z2 1rlyf8l China Stars Led Street Light 180 240w 95lm W Ip65 Cul Ce Rohs Manufacturer Supplier Fob Price Is Usd 170 0 0 0 Piece

Diy Solar Powered Led Street Light With Auto Intensity Control Best Sale Budget To You

Understanding Series Street Light Systems

Ac Led Flood Light Wiring Honda Accord Fuse Panel Diagram Source Auto5 Yenpancane Jeanjaures37 Fr

Led Lighting Fixture Ul Led Highbay Light Enec Highbay Light Pse Highbay Light Hipower

Build Your Own Smart Led Street Lamp

Diagram Download Shop Wiring Diagram For Lights Hd Version Pptdiagrams Bruxelles Enscene Be

Automatic 40 Watt Led Solar Street Light Circuit Homemade Circuit Projects

Solar Street Light Wiring Diagram Yangzhou Liwei Lighting Electric Appliance Co Ltd
Corn Light Wiring Instructions With Ballast Bypass Diagrams

Schematic Diagram For Street Lighting System 11 Download Scientific Diagram

Wiring Leds Correctly Series Parallel Circuits Explained

Solar Street Light Wiring Diagram Wiring Diagram For Series 3 Speakers 7gen Nissaan Yenpancane Jeanjaures37 Fr

How To Install Solar Led Street Lights Lightinus

Surge Protection Device Spd For Led Lights Lamp Lightings Luminaire

Schematic Wiring Diagram Of The Solar Streetlight

How To Connect A Led Light To A Battery And Switch Razorlux Lighting

T3 Controller

Arm Mount Replaces 1000w Metal Halide 300w Led Parking Lot Light 100 277vac Ul Listed Led Street Light For Outdoor Area Lighting Lumen Led Shoebox Pole Lights 5700k Street Area Lighting Tools

Led Shoebox Light Wiring Diagram With Motion Sensor Photocell

The Alpha All In One Is A Solar Lighting System Electrical Electronics Solar Street Light Solar Lighting System Solar Power Panels

Automatic Street Light Controller Using Relays And Ldr

Solar Led Street And Parking Lot Lights
Automatic Street Light Controller Circuit Using Relays And Ldr

Ro 56 Automatic 40 Watt Led Solar Street Light Circuit Project Part1 Download Diagram

China 10w Led Street Light Wiring Diagram Suppliers Manufacturers Factory Wholesale Price Solar Street Light Xintong

Led Shoebox Light Wiring Diagram With Motion Sensor Photocell

Schematic Diagram For Street Lighting System 11 Download Scientific Diagram

China Led Street Light Wiring Diagram China Solar Yard Light White Light
Www Onsemi Com Pub Collateral Tnd346 D Pdf

Lighting Panel Wiring Diagram

Lamp Circuit Diagram Electrical Drawing Wiring Diagram

Automatic Street Light Control Circuit Diagram



